?
首页
公司介绍
新闻中心
组织机构
服务理念
售后服务
联系我们
产品中心
jtgk.png

产品中心

FQ41F46衬氟放料球阀

您的位置:阀门 - 球阀 - FQ41F46衬氟放料球阀 更新时间:2025-07-09 08:07:03
FQ41F46衬氟放料球阀
    • 质量安全:压力、材质、密封等全方位检测确保质量过关!
    • 价格比较:在相同品质的情况下,厂里直销,更具有优势!
    • 交货快捷:常规产品现货供应,生产加工销售一条龙服务!
      上海旺财28致力于高品质阀门的设计、研发、生产销售服务于一体的大型阀门企业,科技创新,永不止步,与您携手共创辉煌...

    • 产品描述
    • 在线询价
    • 技术咨询
    FQ41F46衬氟放料球阀FQ41F46衬氟放料球阀

    FQ41F46衬氟放料球阀适用在-50℃~150℃的各种浓度的王水、硫酸、盐酸、氢氟酸和各种有机酸、强酸、强氧化剂,FEP还适用于各种浓度的强碱有机溶剂以及其它腐蚀性气体、液体介质的管路上使用。

    产品名称: 衬氟放料球阀 产品型号: FQ41F46
    公称通径: DN15~DN300 结构形式: 球形
    公称压力: 1.6Mpa~6.4Mpa 连接方式: 法兰
    适用温度: ≤450ºC 驱动方式: 手动、气动、电动
    阀体材质: 铸钢、不锈钢 制造标准: 国标GB、德国DIN、美国API、ANSI
    适用介质: 水、油、气体、导热油、液体 生产厂家: 上海旺财28有限公司

    产品说明

    FQ41F46衬氟放料球阀适用在-50℃~150℃的各种浓度的王水、硫酸、盐酸、氢氟酸和各种有机酸、强酸、强氧化剂,FEP还适用于各种浓度的强碱有机溶剂以及其它腐蚀性气体、液体介质的管路上使用。为各种强腐蚀性介质的启闭控制而设计,阀门的两端法兰大小不等,一端为标准法兰一端为与反应釜底放料孔配套的法兰,很方便的就可以连接在反应釜底。其结构形式为浮动直通式,连接形式为法兰,阀外壳采用碳钢内衬氟塑料,阀球为与阀杆一体式金属嵌件外包氟塑料工艺制造,具有耐腐密封性好、启闭灵活、快速的特点且外型美观、强度高、经久耐用。

    产品特点

    采用软密封密封及衬氟工艺,密封性能可靠
    2、体积小、重量轻、结构简单、流阻小、安装维修方便
    3、FQ41F46衬氟放料球阀采用电动控制非常方便,无需要借助人力,直接操作按钮即可
    4、耐腐蚀:阀体内腔及理体均包衬2.5-3mm厚的F46,能耐酸、碱,氨气、盐水等强腐蚀介质。

    主要零部件材料

    零件名称 材料名称
    FQ41F46-Z FQ41F46-C FQ41F46-P FQ41F46-R FQ41F46-PL FQ41F46-RL
    阀体/阀盖 HT250 WCB CF8 CF8M CF3 CF3M
    球体/阀杆 WCB WCB CF8 CF8M CF3 CF3M
    内衬材料 FEP(F46)、PCTFE(F3)、PTFE(F4)、PFA(可溶性聚四氟乙烯)、PO(聚烯烃)
    填料压盖 HT250 WCB CF8 CF8M CF3 CF3M
    填料 PTFE(F4)聚四氟乙烯
    螺栓 35 35 1Crl7Ni2 1Crl7Ni2 1Cr18Ni2 1Cr18Ni2
    紧固螺母 45 45 OCrl8Ni9 OCrl8Ni9 0Cr18Ni9 0Cr18Ni9
    操作手柄 WCB

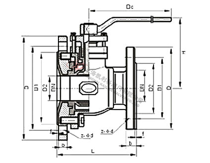
    外形结构图

    主要外形连接尺寸

    公称通径 PN 0.6-1.6(MPa) 主要外形尺寸和连接尺寸 (mm) 重量
    DN L D D1 D2 f b z-φd D0 H kg
    32 140 135/160 100/130 78/115 3/3 18/20 4-φ14/4-φ18 200 130 9
    40 160 145/185 110/150 85/125 3/4 18/22 4-φ18/4-φ18 230 135 15
    79 标 50 170 160/205 125/170 100/140 3/4 20/24 4-φ18/4-φ18 250 140 18
    80 200 195/245 160/200 130/175 4/5 22/26 4-φ18/8-φ18 300 205 35
    69 标 50 170 160/230 125/190 100/140 3/4 20/24 4-φ18/8-φ14 250 140 18
    80 200 195/245 160/210 130/175 4/5 22/26 4-φ18/10-φ14 300 205 35
    100 280 215/280 180/240 150/210 4/5 24/28 8-φ18/8-φ23 350 230 44
     

    声明:【FQ41F46衬氟放料球阀】规格型号、结构尺寸由上海旺财28有限公司提供,如何选择适用的FQ41F46衬氟放料球阀产品,使之在工艺控制中安全可靠、经济适用,可致电我司销售部门及技术部门,我们将在最短的时间内为您解答!

    上一篇:Q641F46气动衬氟球阀 下一篇:GU真空球阀

    ?

    Copyright ?2011-2023 上海旺财28有限公司,版权所有。 沪ICP备11046016号-29 网站地图

    销售电话:021-31001158

    手机号码:13816746668 陈国辉/经理

    电子邮件:klkvalves@126.com@126.com

    主营产品:球阀,闸阀,蝶阀,截止阀,止回阀,调节阀

    本周热门:不锈钢阻火器全天候呼吸阀气动球阀气动蝶阀气动刀闸阀气动调节阀电动球阀电动蝶阀电动刀闸阀电动调节阀不锈钢球阀不锈钢闸阀不锈钢截止阀不锈钢止回阀不锈钢电磁阀高压电磁阀高压球阀波纹管截止阀

    官方网址:www.fm058.com