今天我们来讲解(管道汽水混合器)工作原理以及及介绍图片,本篇文章主要讲解管道汽水混合器工作原理以及介绍图片。
上海凯利科
阀门有限公司是〖 管道汽水混合器 〗的供应商,可提供管道汽水混合器结构图,管道汽水混合器外形尺寸图,管道汽水混合器型号,管道汽水混合器作用特点,管道汽水混合器工作原理
上海凯利科阀门有限公司是〖管道汽水混合器〗的供应商,可提供管道汽水混合器结构图,管道汽水混合器外形尺寸图,管道汽水混合器型号,管道汽水混合器作用特点,管道汽水混合器工作原理,管道汽水混合器批发厂家,管道汽水混合器执行标准,欢迎新老客户来电,来函,我们将为您提供贴心的服务。以下就是关于管道汽水混合器说明书的详细概述:
管道汽水混合器又名管道汽水混合器是一种装设于管道上直接式加热设备,具有热效率高、噪声低、安装简单、不占空间等特点,广泛应用于采暖、空调及生产工艺水加热系统。管道汽水混合器核心部件为拉法尔喷管,从喉口喷入的水流与从斜孔喷入的蒸汽充分混合后流出,生产热水。蒸汽和水在高速流动中混合,无噪音、无振动。

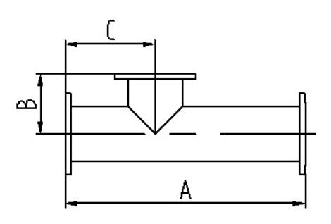
管道汽水混合器的外型尺寸

| QSH |
-4 |
-6 |
-8 |
-10 |
-12 |
-16 |
-20 |
-24 |
-32 |
-40 |
-48 |
额定流量(m3/h) |
1.2 |
2.5 |
4.5 |
7 |
10 |
16 |
25 |
35 |
60 |
105 |
165 |
设计压力(MPa) |
1.6 |
1.6 |
1.6 |
1.6 |
1.6 |
1.6 |
1.6 |
1.6 |
1.6 |
1.6 |
1.6 |
净重(kg) |
8 |
8 |
15 |
15 |
15 |
50 |
50 |
50 |
200 |
200 |
200 |
运行重量(kg) |
8.5 |
8.5 |
16 |
16 |
16 |
58 |
58 |
58 |
260 |
260 |
260 |
噪声(dB) |
≤65 |
≤65 |
≤65 |
≤65 |
≤65 |
≤65 |
≤65 |
≤65 |
≤65 |
≤65 |
≤65 |
A(mm) |
240 |
240 |
360 |
360 |
360 |
660 |
660 |
660 |
1200 |
1200 |
1200 |
B(mm) |
105 |
105 |
130 |
130 |
130 |
170 |
170 |
170 |
300 |
300 |
300 |
C(mm) |
105 |
105 |
130 |
130 |
130 |
220 |
220 |
220 |
450 |
450 |
450 |
水侧法兰 |
DN40 |
DN40 |
DN65 |
DN65 |
DN65 |
DN125 |
DN125 |
DN125 |
DN250 |
DN250 |
DN250 |
汽侧法兰 |
DN40 |
DN40 |
DN65 |
DN65 |
DN65 |
DN125 |
DN125 |
DN125 |
DN250 |
DN250 |
DN250 |
管道汽水混合器的选型参考
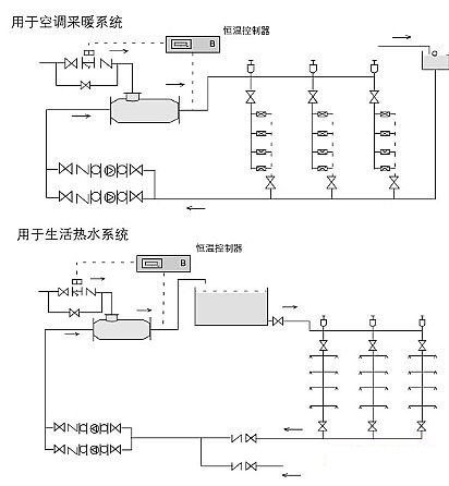
管道汽水混合器可用于空调采暖、卫生热水的加热系统,根据实际水流量的蒸汽耗量选用加热器。
1、管道汽水混合器未通入蒸汽时,额定流量下,水头损失为5mH2O,通入蒸汽后,水头损失可按1mH2O考虑;
2、蒸汽压力大于水压0.05MPa以上;
3、管道汽水混合器用于生活热水系统时应设置中间水箱,不能直接进入淋浴器,防止意外事故发生;
4、管道汽水混合器适宜安装在水泵的吸水侧。

管道汽水混合器的安装与使用说明书
1.汽水混合加热器可水平安装,也可以竖直向上安装,蒸汽入口应向上或水平;
2.管道汽水混合器前后装设阀门、压力表及温度计,以便于观察和调节加热器工作状况;
3.管道汽水混合器启动时,应先通水,再通汽;停机时,先关断汽源,再断水。