?
首页
公司介绍
新闻中心
组织机构
服务理念
售后服务
联系我们
产品中心
xwzx.png

安全阀

行业新闻

您的位置: > 新闻中心 > 行业新闻 >
z45x暗杆软密封闸阀厂家(总结篇)
来源:www.fm058.com作者:上海旺财28有限公司 更新时间:2023-03-17 09:03:56

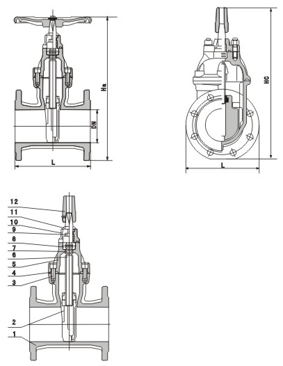
z45x暗杆弹性座封闸阀(软密封闸阀),零用阀门整体包胶产生变形补偿作用达到良好的密封效果,克服了一般闸阀密封不良、漏水和生锈的现象,更有效的节约安装空间。 可广泛用于自来水、污水、建筑、石油、化工、食品、医药、轻纺、电力、船舶、治金、能源系统等流体管线上作为调节和截流装置使用。
z45x暗杆软密封闸阀厂家-旺财28有限公司!询价电话:31001158
z45x暗杆软密封闸阀主要技术参数
公称压力:1.0~2.5MPa 
工作温度:0~80℃
法兰标准:GB/T 17241.6 GB9113
公称通经:50~600mm
适用介质:水、油、气等
试验标准:GB13927 AP1598

 z45x暗杆软密封闸阀主要零部件材料

材 料
灰 铸 铁、球 墨 铸 铁、铸 钢
球 墨 铸 铁 外 覆 三 元 乙 丙 或 丁 腈 橡 胶
碳 化 处 理
丁 腈 橡 胶
灰 铸 铁、球 墨 铸 铁、铸 钢
不 锈 钢
丁 腈 橡 胶
锡 青 铜
不 锈 钢
球 墨 铸 铁、铸 钢
丁 腈 橡 胶
铸 铁
z45x暗杆软密封闸阀主要外形连接尺寸
50
80
125
200
300
400
500
L
190
229
267
330
381
432
508
313
372
497
680
948
1220
1480
HC
375
476
600
875
1050
1310
1750
z45x暗杆软密封闸阀产品尺寸

高压球阀系列

高压闸阀系列

高压蝶阀系列

高压截止阀系列

高压止回阀系列

高压调节阀系列

高压电磁阀系列

高压安全阀系列

高压针型阀系列

高压疏水阀系列

高压减压阀系列

高压过滤器系列

您是第   位浏览者
?

Copyright ?2011-2022 上海旺财28有限公司,版权所有。 沪ICP备11046016号-29 网站地图

销售电话:021-31001158

手机号码:13816746668 陈国辉/经理

电子邮件:klkvalves@126.com@126.com

主营产品:球阀,闸阀,蝶阀,截止阀,止回阀,调节阀

本周热门:不锈钢阻火器全天候呼吸阀气动球阀气动蝶阀气动刀闸阀气动调节阀电动球阀电动蝶阀电动刀闸阀电动调节阀不锈钢球阀不锈钢闸阀不锈钢截止阀不锈钢止回阀不锈钢电磁阀高压电磁阀高压球阀波纹管截止阀

官方网址:www.fm058.com